สวัสดีครับบนความนี้เราจะมาสร้าง 18650 battery pack 12V กันครับ สําหรับ 18650 battery pack 12V ก็คือ Battery ชนิดหนึ่งที่ทํามาจาก 18650 Battery แบบนี้ มาต่อรวมๆกันหลายๆก้อน เป็น Battery ลูกใหญ่
หน้าตาของ 18650 battery pack ก็จะประมาณนี้

สําหรับ 18650 Battery จะมีขนาดแรงดันไฟฟ้า 3.7V ส่วนกระแสไฟฟ้าจะขึ้นอยู่กับยี่ห้อ และรุ่นของ Battery ดังรูปด้านล่าง
การนํา 18650 Battery มาต่อรวมกันโดยจะคํานวณขนาดได้ตามต้องการว่าจะเอาแรงดันกี่โวลต์ และกระแสไฟฟ้าเท่าไร ส่วนใหญ่จะทําเป็น Battery ขนาด 12V ส่วนกระแสไฟฟ้าก็ขึ้นอยู่กับความต้องการ
วิธีการคํานวณจะต้องอาศัยหลักการของการต่อ Battery แบบขนาน แบบอนุกรม และแบบผสมดังนี้
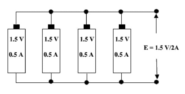
การต่อ Battery แบบขนาน จะทําให้ได้แรงดันเท่าเดิม แต่จะได้กระแสไฟฟ้าเท่ากับกระแสไฟฟ้าของแต่ละก้อนบวกกัน เช่น Battery 1.5V 0.5A สี่ก้อนมาต่อขนานกัน เราจะได้ Battery ขนาด 1.5V 2A (0.5A + 0.5A + 0.5A + 0.5A = 2A)
ลักษณะการต่อคือเอาขั้วบวกของ Battery แต่ละก้อนมาเชื่อมต่อรวมกัน และนําเอาขั้วลบของ Battery แต่ละก้อนมาเชื่อมต่อรวมกันแบบนี้

การต่อ Battery แบบอนุกรม จะทําให้ได้กระแสไฟฟ้าเท่าเดิม แต่จะได้แรงดันไฟฟ้าเท่ากับแรงดันไฟฟ้าของแต่ละก้อนบวกกัน เช่น Battery 1.5V 1A สามก้อนมาต่ออนุกรม เราจะได้ Battery ขนาด 4.5V 1A (1.5v + 1.5V + 1.5V = 4.5V)
ลักษณะการต่อคือเอาขั้วบวกของ Battery ไปต่อกับขั้วลบของ Battery อีกก้อน ต่อกันไปแบบนี้เรื่อยๆ ตามรูปครับ

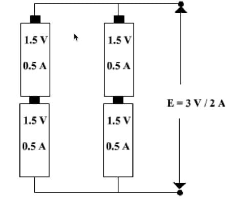
การต่อ Battery แบบผสม คือการนําทั้งสองแบบ(แบบอนุกรม และแบบขนาน) มาต่อรวมกัน ซึ่งจะได้ แรงดันไฟฟ้า และกระแสเพิ่มขึ้นตามนี้

สําหรับบทความนี้เราจะทํา Battery pack ขนาด 12V 12A โดยเราจะนํา 18650 Battery ขนาด 3.7V 3A จํานวน 12 ก้อน เอามาต่อกันแบบนี้ อนุกรมกัน 3 ก้อน และนําอนุกรม 3 ก้อนที่ได้แต่ละชุดมาขนานกันดังรูป
อุปกรณ์ที่ใช้มีอะไรบ้าง
มาเริ่มลงมือทํากันดีกว่าครับ
ขั้นตอนแรกให้เรานํา 18650 Battery มาประกอบเข้าด้วยกันด้วย 18650 Battery bracket
ประมาณนี้
เมื่อเรียบร้อยแล้ว ต่อมา ให้เราบัดกรีเชื่อมต่อ Battery แต่ละก้อน ตามที่เราออกแบบไว้ข้างต้น

จะเห็นว่าในรายการอุปกรณ์มีอุปกรณ์แปลกๆมาตัวหนึ่งคือ BMS เอามาทําอะไรผมจะอธิบายแบบนี้ครับ การที่นํา Battery มาต่ออนุกรมกันจําเป็นจะต้องมีวงจร BMS (Battery Management System) เพื่อควบคุมการ Charge และ Discharge ของ Battery แต่ละก่อน เพื่ออัดไฟให้เต็มมากที่สุด และยืดอายุการใช้งานแบตเตอรี่ อ่านเพิ่มเติมเกี่ยวกับ BMS (Battery Management System) ได้ที่นี่ครับ
วงจร BMS จะมีด้วยกันหลายแบบ หลายขนาด ให้เราเลือกตามขนาดของ Battery pack และลักษณะของการใช้งานของเรา ซึ่งแต่ละแบบจะมี Spec บอกไว้ เช่น กระแส Discharge สูงสุด กระแส Charge สูงสุด ฯลฯ
ในบทความนี้ผมเลือกขนาด 25A มาใช้งาน หน้าตาก็ประมาณนี้
โดยเราจะนํามาต่อกับ Battery ของเราตามรูปวงจรนี้

เมื่อเชื่อมต่อทุกอย่างเสร็จแล้ว จะได้ประมาณนี้

อาจจะนําไปใส่กล่อง หรือทําแบบนี้ก็โอเคครับ

ก็สามารนําไปใช้งานได้ตามต้องการครับ
แถมนะครับ อันนี้ผมนํา 18650 Battery ที่แกะมาจาก Battery notebook(ที่เสียแล้ว) โดยเลือกเอาเฉพาะก้อนที่ยังใช้งานได้อยู่มาใช้
โดยปกติ Battery notebook ที่เสียแล้วภายในจะมี 18650 Battery อยู่หลายก้อนจะซึ่งเสียบางก้อนเท่านั้น บางก้อนจะยังใช้งานได้อยู่
เสร็จเรียบร้อยครับ ลองทําไปใช้งานกันดูนะครับ
สวัสดีครับ บทความนี้ผมจะพูดถึงเรื่อง Docker compose ซึ่งผมมองว่ามันเป็นหัวใจหลักของ Docker เลยก็ว่าได้เพราะมันจะช่วยให้การจัดการ Docker ทั้ง project ของเราเป็นเรื่องง่าย ก่อนที่จะอ่านบทความนี้จะต้องรู้ใน
สวัสดีครับ ในบทความนี้ก็เป็น EP.9 แล้วนะครับ โดยเนื้อหาจะเป็นเรื่องเกี่ยวกับ Context ในภาษา Go ซึ่งเป็นเรื่องที่เราจะต้องได้เจอเมื่อเราพัฒนาโปรแกรมด้วยภาษา Go ครับสําหรับท่านใดที่ยังไม่ได้อ่าน EP.8 ท่านสามารถกลับไปอ่านก่อนได้นะครับที่นี่ Go EP.8 Go Channel Select Multiple Communication Operationsมาเริ่มเรียนรู้ไปด้วยกันตามหัวข้อด้านล่างเลยครับ
ตัวคูณร่วมน้อย (ค.ร.น.) คือ ตัวคูณร่วม (หรือพหุคูณร่วม) ที่มีค่าน้อยที่สุด ที่จำนวนนับชุดใด(ตั้งแต่สองจำนวนขึ้นไป) ไปหารได้ลงตัว เช่น ค.ร.น. ของ 8 และ 12 คือ 24 เพราะ 24 คือจำนวนที่น้อยมากที่สุดที่ถูกทั้ง 8 และ 12 หารลงตัว