วงจรเร็กติไฟร์ หรือเรียกเป็นภาษาไทยว่า วงจรเรียงกระแส วงจรนี้จะทําหน้าที่แปลงไฟฟ้ากระแสสลับให้เป็นไฟฟ้ากระแสตรง โดยจะใช้ไดโอดเป็นอุปกรณ์หลักของวงจร ซึ่งชนิดของไดโอดที่นิยมนํามาใช้คือ ชนิดซิลิกอน วงจรเร็กติไฟร์มีอยู่ด้วยกัน 3 แบบ ดังนี้
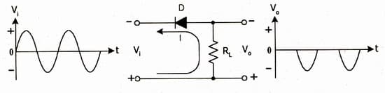
เร็กติไฟร์เออร์ครึ่งคลื่น เป็นวงจรแปลงไฟฟ้ากระแสสลับเป็นกระแสตรง โดยภายในวงจรจะใช้ ไดโอดเพียงตัวเดียว ใช้ไดโอดตัวนี้ในการตัดแรงดันไฟฟ้ากระแสสลับออกไปซีกใดซีกหนึ่ง ดังรูป

จากรูป เมื่อไฟฟ้ากระแสสลับช่วงบวกไหลผ่านไดโอด(ไบอัสตรง)จะสามารถไหนผ่านไอโอดไปได้ ทําให้มี output เป็น ซีกบวกออกไป แต่เมื่อไฟฟ้ากระแสสลับเป็นช่วงลบไหลผ่านไดโอด(ไบอัสกลับ)จะไม่สามารถไหลผ่านไดโอดได้ output ออกเป็น 0V

จากรูป เมื่อไฟฟ้ากระแสสลับช่วงบวกไหลผ่านไดโอด(ไบอัสกลับ)จะไม่สามารถไหลผ่านไดโอดได้ output ออกเป็น 0V แต่เมื่อไฟฟ้ากระแสสลับเป็นช่วงลบไหลผ่านไดโอด(ไบอัสตรง) จะทําให้ไปลบไหนผ่านไดโอดได้ทําให้มี output ออกไปเป็นซีกลบ
เร็กติไฟเออร์เต็มคลื่นใช้หม้อแปลงมีแทปกลาง(Full Wave Rectifier by Center-tapped Transformer) เป็นวงจรแปลงไฟฟ้ากระแสสลับเป็นกระแสตรง โดยใช้หม้อแปลงแบบมีแทป และไดโอด 2 ตัว อันดับแรกเรามาดูการทํางานของหม้อแปลงแบบมีแทปกันก่อน

ในรูป output ของหม้อแปลง V1 และ V2 ในช่วงเวลาเดียวกันจะมีไฟฟ้าซีกตรงข้ามกัน และมี CT เป็น 0V เมื่อนํามาต่อกับวงจรจะได้ดังนี้

จากรูปเมื่อนําไดโอดสองตัวมาต่อ จะทําให้ไดโอดแต่ละตัวสลับกันทํางานตามช่วงเวลาที่ตัวเองไบอัสตรง ทําให้ได้ output ออกมาตามกราฟล่าง (Full Wave) เป็นกระแสตรง
เร็กติไฟเออร์เต็มคลื่นแบบบริดจ์ ( Full Wave Bridge Rectifier) เป็นวงจรแปลงไฟฟ้ากระแสสลับเป็นกระแสตรง โดยใช้ไอโอดทั้งหมด 4 ตัว จะต่อเป็นวงจรได้ดังนี้

เริ่มต้นด้วยเมื่อมีไฟฟ้าซีกบวก(A)เข้ามา จะทําให้ D2 และ D4 ได้รับไบอัสตรง จะได้ output เป็นไฟซีกบวก ต่อมาเมื่อไฟซีกลบ(B)เข้ามา จะทําให้ D1 และ D3 ได้รับไบอัสตรง จะได้ output เป็นไฟซีกบวกเช่นเดียวกัน จะเป็นแบบนี้ไปเรื่อยๆ จึงทําให้เราได้ output เป็นไฟตรง ในการใช้งานจริงนั้น จะต้องต่อตัวเก็บประจุคร่อมที่ output เพิ่มเติม เพื่อให้ไฟกระแสตรงที่ยังกระเพื่อมอยู่เรียบเป็นเส้นตรง สามารถนําไปจ่ายให้กับอุปกรณ์ไฟฟ้าอื่นๆได้
ที่มาของข้อมูลและรูปภาพ www.loeitech.ac.th
Tor Browser 6.0 แบบ Portable ให้ผู้ใช้สามารถใช้ Tor Browser ได้โดยไม่ต้องติดตั้งโปรแกรมลงบนเครื่อง ผู้ใช้สามารถรันผ่าน flash drive ได้เลย
สําหรับบทความนี้จะเป็นบทความสั้นๆนะครับที่กล่าวถึงการพิมพ์สัญลักษณ์พวกนี้ ~ % ` _ ใน windows ดังนี้ครับ
สวัสดีครับ Git เป็น Version Control ที่พัฒนาขึ้นมาเพื่อใช้เป็นเครื่องมือช่วยในการพัฒนา Software ซึ่งจะช่วยติดตาม ตรวจสอบการแก้ไข Source Code และ file ต่างๆ โดยสามารถตรวจสอบได้ทุกตัวอักษร ทุกบรรทัด และทุกไฟล์ ว่าใครเป็นคนแก้ไข แก้ไขอะไรไป แก้ไขวันที่ และเวลาเท่าไร นอกจากนี้ยังสามารถย้อนไปยังการแก้ไข ณ. จุดใดจุดหนึ่งได้อีกด้วย ยังไม่หมดแค่นี้ Git ยังสามารถรวมการแก้ไขจากหลายๆคนเข้าด้วยกันได้อีกด้วย (Merge)